Neubau eines Glockenstuhls
Das Geläut der Pfarrkirche wurde erneuert und mit einem neuen Glockenstuhl versehen.
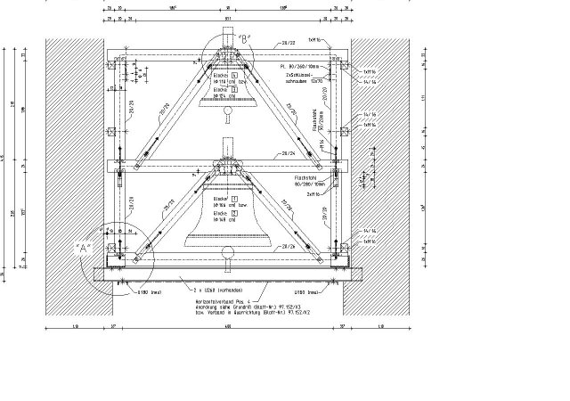
Eine derartige Konstruktion erfordert spezielle Kenntnisse, insbesondere die Verbindung der Holzbauteile untereinander ist nachspannbar auszuführen.
Die Horizontallasten werden über Dämpfungslager und Stahlträger in die Mauerwerkswände des Turmes eingeleitet. Die Krafteinleitung erfolgt hierbei körperschallentkoppelt.
| Bauherr: | Kath. Kirchengemeinde St. Antonius, Hörstel |
| Leistungen: |
|




